Pytania i odpowiedzi

Elektrotechnika 2013

Zebrane pytania i odpowiedzi do zestawu. Elektrotechnika 2013 przykładowy test na egzaminie z teorii na Uniwersytecie Rolniczym w Krakowie. (odpowiedzi zostały opracowane przez studentów ;)
Ilość pytań: 98 Rozwiązywany: 23045 razy
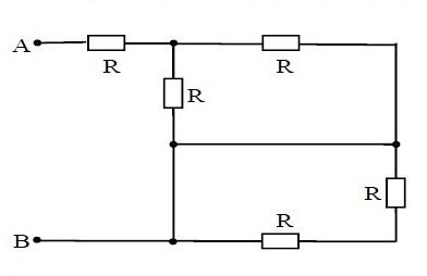
Pytanie 1
1. W obwodzie R = 10 Ω. Rezystancja zastępcza obwodu widziana z zacisków AB wynosi:
15 Ω;
Pytanie 2
2. W obwodzie R = 60 Ω. Rezystancja zastępcza obwodu widziana z zacisków AB wynosi:
80 Ω;
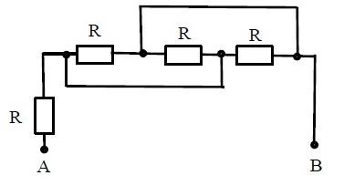
Pytanie 3
3. W obwodzie R = 60 Ω. Rezystancja zastępcza obwodu wynosi:
60 Ω
Pytanie 4
4. Przed zamknięciem wyłącznika prąd I = 9 A. Po zamknięciu wyłącznika będzie:
I = 13,5 A;
Pytanie 5
5. Gałęzią obwodu elektrycznego może być:
pojedynczy element obwodu;
układ kilku elementów obwodu
droga przepływu prądu łącząca dwa węzły.
Pytanie 6
6. Natężeniem prądu elektrycznego nie jest:
całkowity ładunek elektryczny przepływający przez przekrój poprzeczny przewodnika;
Pytanie 7
7. Rezystancja przewodu jest wprost proporcjonalna do:
rezystywności materiału przewodu;
długości przewodu;
Pytanie 8
8. Źródłem pola elektrycznego nie są:
magnesy trwałe.
Pytanie 9
9. Źródłem pola elektrycznego jest:
prąd elektryczny płynący przez przewodnik;
poruszający się magnes trwały;
każdy ładunek elektryczny;
Pytanie 10
10. Natężenie pola elektrycznego w danym punkcie jest to:
siła działająca na ładunek elektryczny wprowadzony do danego punktu pola do wartości tego ładunku;
Pytanie 11
11. Potencjałem elektrycznym w dowolnym punkcie pola nazywa się:
właściwość pola elektrycznego określającą zdolność pola do wykonania pracy;
pracę jaką należy wykonać, aby przenieść ładunek z danego punktu pola do nieskończoności do wartości tego ładunku.
Pytanie 12
12. Napięciem elektrycznym między dwoma punktami obwodu elektrycznego nie nazywamy:
pracy jaką należy wykonać przy przenoszeniu ładunku elektrycznego pomiędzy tymi punktami;
stosunku pracy jaką należy wykonać, aby przenieść ładunek elektryczny pomiędzy tymi punktami do wartości ładunku;
pracy jaką należy wykonać, aby przenieść ładunek jednostkowy pomiędzy tymi punktami.
Pytanie 13
13. Głównymi wielkościami charakteryzującymi pole elektryczne są:
natężenie pola elektrycznego;
potencjał elektryczny;
Pytanie 14
14. Pojemność zastępcza baterii kondensatorów wynosi:
60 μF;
0,06 mF.
Pytanie 15
15. Pojemność każdego z kondensatorów wynosi 30 μF. Pojemność zastępcza baterii kondensatorów jest równa:
0,021 mF;
Pytanie 16
Źródłem pola magnetycznego jest:
nieruchomy magnes trwały ;
wirujący magnes trwały;
stały prąd elektryczny płynący w przewodniku.
Pytanie 17
17. W polu magnetycznym wytworzonym przez prąd elektryczny indukcja magnetyczna w dowolnym punkcie pola zależy od:
kształtu obwodu elektrycznego;
liczby zwojów przewodnika;
natężenia prądu.
Pytanie 18
18. Natężenie pola magnetycznego w dowolnym jego punkcie nie zależy od:
właściwości magnetycznych środowiska;
Pytanie 19
19. Jednostką indukcji magnetycznej jest:
tesla [T];
Pytanie 20
Jednostką indukcyjności własnej nie jest:
tesla;
weber;
amper.