Pytania i odpowiedzi

Elektrotechnika 2013

Zebrane pytania i odpowiedzi do zestawu. Elektrotechnika 2013 przykładowy test na egzaminie z teorii na Uniwersytecie Rolniczym w Krakowie. (odpowiedzi zostały opracowane przez studentów ;)
Ilość pytań: 98 Rozwiązywany: 23045 razy
Pytanie 21
21. Diamagnetyk jest ciałem, którego:
własne pole magnetyczne osłabia pole zewnętrzne
względna przenikalność magnetyczna jest mniejsza od 1;
Pytanie 22
22. Pętla histerezy ferromagnetyka przedstawia:
związek pomiędzy indukcją magnetyczną a natężeniem pola magnetycznego;
krzywą zamkniętą, której powierzchnia jest miarą strat energii na przemagnesowanie materiału;
Pytanie 23
23. Siła elektromotoryczna indukuje się w obwodzie:
przy zmianie kształtu obwodu umieszczonego w polu magnetycznym o indukcji B=const;
przy umieszczeniu obwodu w wirującym polu magnetycznym;
przy umieszczeniu obwodu w polu magnetycznym o indukcji B≠const;
przy ruchu obwodu w stałym polu magnetycznym
Pytanie 24
24. Siła elektromotoryczna nie indukuje się w obwodzie:
przy wirowaniu obwodu z prędkością wirowania strumienia magnetycznego skojarzonego z tym obwodem;
przy umieszczeniu nieruchomego obwodu w polu magnetycznym o stałej indukcji magnetycznej.
Pytanie 25
25. Wartość chwilowa napięcia sinusoidalnie zmiennego określona jest funkcją u(t)=230sin(628t). Wielkościami opisującymi to napięcie są:
wartość skuteczna napięcia 163V, częstotliwość napięcia 100 Hz, faza początkowa napięcia 0 rad.
Pytanie 26
26. Częstotliwość napięcia, którego przebieg zmian jest opisany zależnością u(t) = 200 sin (942t) wynosi:
150 Hz;
Pytanie 27
27. Wartość maksymalna napięcia sinusoidalnie zmiennego jest:
√2 większa od wartości skutecznej napięcia;
Pytanie 28
28. Dla obwodu prądu sinusoidalnie zmiennego I prawo Kirchhoffa brzmi:
suma geometryczna wektorów natężeń prądów w węźle jest równa zeru;
suma algebraiczna wartości chwilowych prądów w węźle jest równa zeru;
Pytanie 29
29. W obwodzie R = XL = XC, prąd IR = 1A. Prąd I równy jest:
0 A;
Pytanie 30
30. W obwodzie R = XL = XC. Po zamknięciu wyłącznika wskazanie amperomierza:
zmaleje √2 razy;
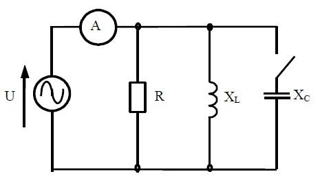
Pytanie 31
31. Rysunek przedstawia schemat zastępczy odbiornika zasilanego ze źródła prądu sinusoidalnie zmiennego. Jeżeli XL> XC to:
odbiornik ma charakter indukcyjny;
prąd I opóźnia się w fazie za napięciem U.
Pytanie 32
32. Wzór na moc czynną układu 3-fazowgo przedstawia się następująco:
3Uf If cosφ;
3 R f I f^2
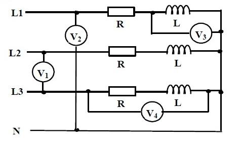
Pytanie 33
W powyższym układzie napięcie równe napięciu fazowemu sieci wskazuje woltomierz:
V2;
V4.
Pytanie 34
34. Kompensację mocy biernej indukcyjnej pobieranej przez odbiornik nie przeprowadza się w celu:
zmniejszenia cosφ odbiornika;
Pytanie 35
35. Odbiornik o charakterze indukcyjnym zasilany jest z sieci o napięciu 230 V. Współczynnik mocy układu cosφ=0,5, moc czynna pobierana przez odbiornik P=115W. Pojemność kondensatora włączonego równolegle do źródła, przy którym cosφ układu wzrośnie do 1 wynosi:
12 μF;
Pytanie 36
36. Zakres pomiarowy woltomierza wynosi 10 V, liczba działek na skali jest równa 100, wychylenie wskazówki woltomierza wynosi 10 działek, zmierzone napięcie jest równe:
1 V;
Pytanie 37
37. Woltomierzem klasy 1 o zakresie pomiarowym 200 V zmierzono napięcie 150 V, a amperomierzem klasy 0,5 o zakresie pomiarowym 20 A zmierzono prąd 6 A. Prawdziwe jest stwierdzenie:
pomiar napięcia jest dokładniejszy niż pomiar prądu;
Pytanie 38
38. Rezystancja bocznika Rb amperomierza o rezystancji wewnętrznej RA = 0,3 Ω i zakresie 2 A, którym można zmierzyć prąd do 6 A wynosi:
0,15 Ω;
Pytanie 39
39. Woltomierzem, klasy 0,5 o zakresie 200 V, zmierzono napięcie 1) 100 V, 2) 150 V. Prawdziwe jest stwierdzenie:
pomiar 2) jest dokładniejszy niż pomiar 1);
błąd pomiaru 1) wynosi 1%, a pomiaru 2) wynosi 0,67%
Pytanie 40
40. W celu rozszerzania zakresu pomiarowego amperomierza prądu przemiennego:
stosuje się przekładnik prądowy