Pytania i odpowiedzi

Elektrotechnika 2013

Zebrane pytania i odpowiedzi do zestawu. Elektrotechnika 2013 przykładowy test na egzaminie z teorii na Uniwersytecie Rolniczym w Krakowie. (odpowiedzi zostały opracowane przez studentów ;)
Ilość pytań: 98 Rozwiązywany: 23046 razy
Pytanie 81
81. Przyczyną przeciążenia silnika elektrycznego może być:
zanik napięcia w obwodzie jednego z przewodów zasilających silnik;
zbyt duży moment oporowy, jaki stawia silnikowi napędzana maszyna;
Pytanie 82
82. Zabezpieczeniem przeciwzwarciowym silnika elektrycznego jest:
wyłącznik instalacyjny nadprądowy
przekaźnik elektromagnetyczny.
Pytanie 83
83. Zabezpieczeniem przeciwprzeciążeniowym silnika elektrycznego nie może być:
wyłącznik różnicowo-prądowy;
przełącznik gwiazda-trójkąt.
Pytanie 84
84. W warunkach, w których rezystancja ciała człowieka względem ziemi jest mniejsza niż 1000 Ω, wartość bezpieczna (dotykowa dopuszczalna) napięcia prądu przemiennego o częstotliwości 50 Hz wynosi:
25 V;
Pytanie 85
85. Środkiem ochrony przeciwporażeniowej przy dotyku bezpośrednim nie jest:
połączenie wyrównawcze.
Pytanie 86
86. Przez dotyk pośredni nie rozumie się:
dotknięcia części czynnych;
dotknięcia części przewodzących dostępnych;
dotknięcia części przewodzących, znajdujących się pod napięciem podczas normalnej pracy.
Pytanie 87
87. Środkiem ochrony przeciwporażeniowej przy dotyku pośrednim jest:
separacja elektryczna;
izolowanie stanowiska pracy;
izolacja ochronna;
połączenie wyrównawcze.
Pytanie 88
88. Urządzenia II klasy ochronności to urządzenia:
posiadające izolację o co najmniej podwójnej wytrzymałości elektrycznej i mechanicznej w stosunku do wymagań stawianych izolacji roboczej;
posiadające izolację ochronną.
Pytanie 89
89. Najczęściej stosowanym środkiem ochrony przeciwporażeniowej przy dotyku pośrednim jest samoczynne wyłączenie zasilania. Urządzeniami wyłączającymi obwód w tym przypadku mogą być:
bezpieczniki topikowe;
wyłączniki instalacyjne typu S;
wyłączniki różnicowo-prądowe;
Pytanie 90
90. Wyłącznik różnicowo-prądowy nie jest środkiem ochrony przeciwporażeniowej:
podstawowej;
Pytanie 91
Zasada działania 3-fazowej prądnicy synchronicznej może brzmieć:
Uzwojenie wirnika zasila się prądem stałym, a wirnik napędza. Powstający wirujący strumień magnetyczny przecina uzwojenia stojana indukując w nich siły elektromotoryczne;
Pytanie 92
Napięciem elektrycznym między dwoma punktami obwodu elektrycznego nazywamy:
różnicy potencjałów pomiędzy tymi punktami;
Pytanie 93
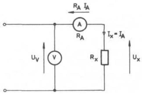
Schemat przedstawia układ:
do pomiaru dużych rezystancji metodą techniczną;
do pomiaru rezystancji metodą techniczną z dokładnie mierzonym prądem;
Pytanie 94
Przy zamkniętym wyłączniku prąd I = 9 A. Po otwarciu wyłącznika prąd I będzie równy:
6 A
Pytanie 95
Źródłem pola elektrycznego są:
poruszające się ładunki elektryczne;
nieruchome ładunki elektryczne;
zmienne pola magnetyczne;
Pytanie 96
Jednostką natężenia pola elektrycznego nie jest:
henr na metr [H*m^-1];
amper na metr[A*m^-1];
Pytanie 97
Jednostką natężenie pola magnetycznego jest:
amper na metr[A*m^-1];
Pytanie 98
W warunkach specjalnych(wilgotnych) za napięcia bezpieczne uważa się wartości:
napięcie przemienne 25V, napięcie stałe 60V;